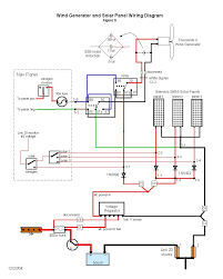
Solar Generator Wiring Diagram. Solar Energy Systems wiring diagram examples. Solar PV Cable 10 AWG UL Approved by the foot 073.

Portable Solar Generator Wiring Diagram Solar Generator. In this video Ill show you how I built a portable off-grid solar generator with higher capacity than commercial units at a fraction of the cost. DIY Solar Generator Bundle.
Solar Cell Circuit Power Supply Circuits Next Gr.
Solar Cell Circuit Power Supply Circuits Next Gr. Search for solar generator wiring diagram here and subscribe to this site solar generator wiring diagram read more. Tva sent a technician with a meter to make sure that if the grid power goes off my solar array will not back feed into the grid possibly endangering a lineman. 2 KiloWatts 4 KiloWatts and 8 KiloWatts.