Ifm Proximity Sensor Wiring Diagram. For example we will reference an inductive proximity sensor. When a target the object that a sensor is detecting comes within sensing range of the sensor the sensor output turns on and current flows.

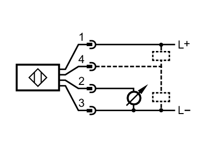
Pnp 4 wire proximity sensor wiring diagram. Wiring diagram when sensor is wired in sourcing mode used with a sinking module. A typical 3-wire DC sensors output has a rating of 100mA to 200mA.
Wiring diagram when sensor is wired in sourcing mode used with a sinking module.
If the inductive Proximity sensor is wired incorrectly. Read Or Download The Diagram Pictures Proximity Sensor For FREE Wiring Diagram at BURROWDEMOAGRIYACOM. Diagram 1 Diagram 2 Wiring diagrams AM Series Inductive Proximity Sensors Wiring diagram when sensor is wired in sinking mode used with a sourcing module. The following is a wiring diagram of an open collector pnp sensor.