2008 Nissan Versa Radio Wiring Diagram. 2008 Nissan Versa Wiring Diagram 1997 Suzuki Gsxr Schematic Astrany Honda Tukune Jeanjaures37 Fr. By continuing to use this site you consent to the use of cookies on your device as described in our cookie policy unless you have disabled them.

Nissan versa wiring harness diagram for combination switch 2018 2009 radio 2007 full user 2008 trailer 24012 zw87a genuine parts fuse box 1997 speaker wire color in doors hatchback 2011 6cd cy05e head automatic transmission frontier murano er motor relay 2010 instrument altima 07 schematic 994. Vehicle Wiring Results for All Nissans displaying 1 - 40 of 230 records found by year descending make and model click - to sort. 2015 Nissan Versa Radio Wiring Diagram Collection.
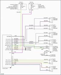
Brown Radio Accessory Switched 12v Wire.
September 10th 2012 Posted in Nissan Versa. Assortment of nissan versa radio wiring diagram. 2008 Nissan Versa Battery And Power Supply Wiring Diagram Circuit and Wiring Diagram Download for Automotive Car Motorcycle Truck Audio Radio Electronic Devices Home and House Appliances published on 17 Mar 2014. By continuing to use this site you consent to the use of cookies on your device as described in our cookie policy unless you have disabled them.