2006 Porsche Wiring Diagram

All About Wiring Diagram Information

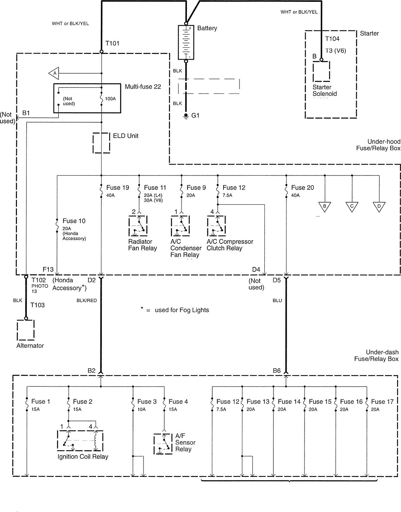
2006 Porsche Wiring Diagram. View and Download Porsche 911 - VOLUME 7 ELECTRICS WIRING DIAGRAMS workshop manual online. Fuse box on left side of dashboard.

Wiring Diagram Type 924 S Model 87 Sheet Porsche 944 Electrics
Wiring Diagram Type 924 S Model 87 Sheet Porsche 944 Electrics from www.porscherepair.us

4f90a Porsche Pcm 3 Wiring Diagram Library. PORSCHE Car Manuals PDF. Fuse box on left side of dashboard.

Read Or Download The Diagram Pictures Porsche For FREE Wiring Diagram at 360CONTESTDEMOAGRIYACOM.

Or You can search the 2004 porsche cayenne s fuse box diagram porsche cayenne s fuel economy porsche cayenne s used porsche cayenne s used for sale etc. 2003 2004 2005 2006 2007 2008 2009 2010. View and Download Porsche 911 - VOLUME 7 ELECTRICS WIRING DIAGRAMS workshop manual online. List of fuses and amperage for Porsche 911 996 1997 to 2006 including fuse box location and fuse box diagram.