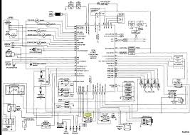
2006 Jeep Grand Cherokee Wiring Schematic. 2006 Jeep Grand Cherokee Wiring Diagram Source. Jeep Fault Codes DTC.

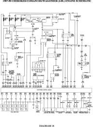
For example a short piece of wire is treated the same as a long one. On the diagrams to represent components and wiring as they appear on the vehicle. A wiring diagram is a simplified traditional pictorial depiction of an electric circuit.
Download free Jeep Grand Cherokee WJ Electrical Wiring Diagram pdf - This Jeep Grand Cherokee WJ Electrical Wiring Diagram covered.
Jeep Grand Cherokee Repair of such a fundamental technique as the Jeep Grand Cherokee of course requires some effort as well as knowledge and skills. Collection of jeep grand cherokee wiring diagram. Make sure to grab the appropriate tools to test all the wires in your Grand Cherokee. It appearance was due to the requirements of the WW2 at a time when the US Army has contracted with three car manufacturers in order to create a durable and reliable military vehicle.