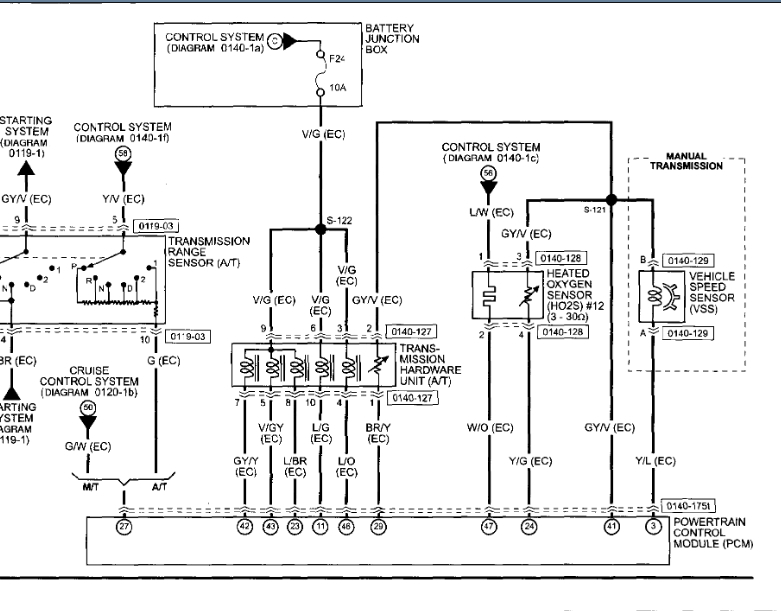
2005 Mazda 3 Oxygen Sensor Wiring Diagram. These repair manuals contains a detailed and step-by-step instruction manual a description of vehicle systems and assemblies detailed information on their maintenance troubleshooting quality repair and adjustment of elements of the engine systems of a cars including fuel injection systems variable valve timing starting. Right here are several of the top drawings we obtain from different sources we hope these photos will certainly work to you and ideally really pertinent to what you desire concerning the Oxygen Sensor Wiring Color Codes is.

Whether your an expert Mazda 3 mobile electronics installer Mazda 3 fanatic or a novice Mazda 3 enthusiast with a 2005 Mazda 3 a car stereo wiring diagram can save yourself a lot of time. Most of the time the check engine light will come on. 2005 Mazda 3 Oxygen Sensor Wiring Diagram Read E-Book Online is most popular ebook you want.
Tune-up your vehicle with an Oxygen Sensor from Bosch that is equally.
Bad Oxygen Sensor Symptoms. Ac Light Wiring Diagram Best Mazda3 A C Wiring Diagram Valid Mazda 3. For the Mazda 3 BK 2003 2004 2005 2006 2007 2008 2009 model year. 2005 Mazda 3 Oxygen Sensor Wiring Diagram Read E-Book Online is most popular ebook you want.