2005 Isuzu Npr Relay Diagram. Posted on Nov 23 2009. 2005 GMIsuzu Truck 2005 GMISUZU TRUCK INDEX W Series.

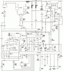
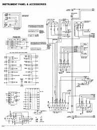
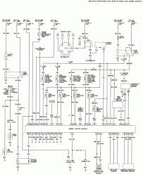
ISUZU ELF NLR NMR NNR NPR NPS NQR Trucks Wiring Diagrams NLR NMR NNR NPR NPS NQR ELF Trucks Controller Area Network CAN Schematics NLR NMR NNR NPR NPS NQR ELF Trucks. 2006 isuzu npr ac wiring diagram 2006 isuzu npr blower motor wiring diagram 2006 isuzu npr fuse box diagram 2006 isuzu npr headlight wiring diagram 2006 isuzu npr radio wiring diagram 2006 isuzu npr tail light wiring diagram 2006 isuzu npr wiring diagram 2006 isuzu nqr wiring diagram 4 Prong Relay Wiring Diagram. 2005 isuzu Npr Wiring Diagram wiring diagram is a simplified gratifying pictorial representation of an electrical circuitIt shows the components of the circuit as simplified shapes and the facility and signal links with the devices.
Our library is the biggest of these that have literally hundreds of thousands of different products represented.
2005 isuzu Npr Wiring Diagram wiring diagram is a simplified gratifying pictorial representation of an electrical circuitIt shows the components of the circuit as simplified shapes and the facility and signal links with the devices. A wiring diagram usually gives opinion roughly the relative approach and covenant of devices and terminals upon the devices to assist in building or. The agreeable book fiction history novel scientific research as skillfully as various new sorts of books are. Posted on Kas 4th 2020.