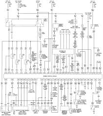
2005 Honda Civic Alternator Wiring Diagram. Since then the Civic has built a name for itself for being reliable affordable and fuel-efficient. WIRING INFORMATION 2005 Honda Civic.

The Honda Civic first entered the US car market in 1972 as a 1973 model year. Engine Compartment Fuse Box Honda Civic fuse box. 2005 Civic Stereo Wiring Diagram - I am looking for the wiring color info for the stock stereo on my 05 civic.
02 expedition 2002 ford expedition fuse box diagram.
The ECU in a vehicle can be manually restored by the driver without the help of a dealer or mechanic. Before you dive in with a multi-meter you will want to obtain a free wiring diagram for your specific modelYou may need to locate a specific color wire and its exact location. 1996 Honda Civic Radio Wiring Harness Honda Wiring Diagrams. Alright all you little cunt suckers out there this is one of the very few times that you will see me ask a question.