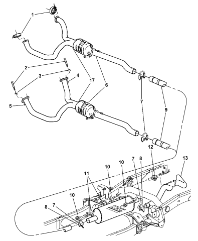
2003 Dodge Ram 2500 Exhaust Diagram. MBRP Performance Exhaust S5148AL - MBRP Installer Series Exhaust Systems. The main line of produced modifications of the pickup is represented by three models the Dodge Ram 150025003500 until 1994 100150250350.

Loud exhaust noise coming from the joint between the manifold and the y pipe and cat. Dodge Ram 2500 3500 57L 80L 2003 Oxygen Sensor by Maneki. Caros BigCommerce theme developed by Themevale.
While this system is reasonably adequate for stock.
While this system is reasonably adequate for stock. The main line of produced modifications of the pickup is represented by three models the Dodge Ram 150025003500 until 1994 100150250350. MBRP Performance Exhaust S5148AL - MBRP Installer Series Exhaust Systems. 2003 Dodge Ram 2500 5 out of 5 stars 4 4 product ratings - NEW 2003-2008 Dodge Ram 57 HEMI Exhaust Manifold BoltsGaskets REPAIR KITMopar.