2003 Dodge Durango 4 7 Heater Hose Diagram. Auxiliary Water Pump ReplacementCoolant Drain and RefillThermostat and Lower Radiator Hose Replacement. Diagram for hose routing from EVAP Canister and related vacume hose routing for the entire EVAP system on a dodge Durango 47 liter 2003.

Dodge Durango 47L 2003 OE Type Engine Coolant Thermostat by Gates. Heater Hose Coupler Remover. Free shipping on many items.
Always carrier the tools that support your auto.
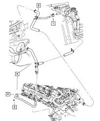
Lines Hoses Front are shipped directly from authorized Mopar dealers and backed by the manufacturers warranty. This HVAC Heater Hose Assembly is manufactured and tested to the strictest OE standards for unparalleled performance. 2 on diagram only genuine oe factory original item. 2003 Dodge Durango 47L Eng.