2003 Chevy Cavalier Fuel Pump Location. About 26000 for the fuel pump if you do it yourself. In this video we show have to replace a failed fuel pump and plugged fuel filter in a Chevrolet Cavalier 1995-2005If you have any further interest please vi.

He came to me with a No Start. About 26000 for the fuel pump if you do it yourself. Asked by zwen12.
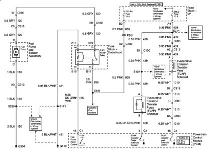
Page 1 of 2.
You can troubleshoot the fuel system on the Cavalier with a few tools right at home and save yourself the cost of taking it in to the auto shop. Page 1 of 2. Where is the fuel filter located on a 1999 Chevy Cavalier Z24. How to replace the fuel pump fuel tank fuel filter fuel pump sending unit.