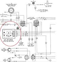
2002 Ram 1500 Heater Wiring Diagram. I have noticed that a lot of similarities between the 98-02 Dodge Ram line so this may or may not help. Need 2002 Ram wiring diagram.

2005 Gmc Sierra 1500 Heater Blower Won T Work Removed and 2004 Chevy. 2002 dodge ram wiring diagram wiring diagram chart 2002 dodge ram wiring diagram 2002 dodge ram 1500 radio wiring diagram sample wiring diagram 2002 dodge ram 1500 truck car stereo. It reveals the parts of the circuit as simplified forms and also the power and also signal links between the tools.
I am trying to remove the dash on 2002 dodge ram 1500 to change the blower motor.
Heater Blower Motor Wiring Diagram - Collections Of Heater Blower Motor Wiring Diagram Collection. 2002 dodge ram 1500 radio wiring diagram electron update b prevention medoc fr schema 02 tail light hd version yourjpgopensite upgrade6a schematic 1997 mazda protege for schematics quality leadnurturing kinggo stereo wave perfomance volvo ad31 conductor visual. 2002 dodge ram wiring diagram wiring diagram chart 2002 dodge ram wiring diagram 2002 dodge ram 1500 radio wiring diagram sample wiring diagram 2002 dodge ram 1500 truck car stereo. 2002 dodge ram wiring diagram another image.