1999 Chrysler 300m Egr Valve

All About Wiring Diagram Information

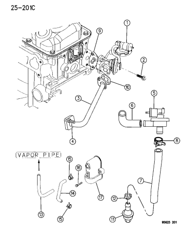
1999 Chrysler 300m Egr Valve. Code readerthrottle position sensorA new EGR valve. 2000 Chrysler 300M V6-35L.

Symptoms Of A Bad Egr Valve Axleaddict A Community Of Car Lovers Enthusiasts And Mechanics Sharing Our Auto Advice
Symptoms Of A Bad Egr Valve Axleaddict A Community Of Car Lovers Enthusiasts And Mechanics Sharing Our Auto Advice from axleaddict.com

2000 Chrysler 300M questions 106 View all. 1999 Chrysler 300M-stalls sometime and them restarts. 2001 Chrysler 300M questions 81 View all.

Parts Plus is the largest Automotive program group in North America.

2000 Chrysler 300M V6-35L. On top of low prices Advance Auto Parts offers 6 different trusted brands of EGR Valve Gasket products for the 1999 Chrysler 300M. Service type Exhaust Gas RecirculationEGR Valve Replacement. Save on cost when you find your Chrysler replacement EGR Valve Gasket with us.