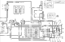
1997 Gmc Yukon Wiring Diagram. For example if a module is powered up and it sends out the signal of fifty percent the voltage in addition to the technician does not know this hed think he offers an issue as he would expect the 12V. Print the electrical wiring diagram off and use highlighters in order to trace the routine.

Whether your an expert GMC Yukon mobile electronics installer GMC Yukon fanatic or a novice GMC Yukon enthusiast with a 1997 GMC Yukon a car stereo wiring diagram can save yourself a lot of time. 1997 Gmc Yukon Wiring Diagram Effectively read a wiring diagram one offers to learn how typically the components within the program operate. Read Or Download The Diagram Pictures Gmc Yukon For FREE Wiring Diagram at BURROWDEMOAGRIYACOM.
It reveals the elements of the circuit as streamlined forms as well as the power and also signal connections between the gadgets.
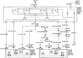
A single trick that I 2 to print a similar wiring plan off twice. Read Or Download The Diagram Pictures Gmc Yukon For FREE Wiring Diagram at BURROWDEMOAGRIYACOM. When you employ your finger or even follow the circuit together with your eyes it may be easy to mistrace the circuit. Listed below is the vehicle specific wiring diagram for your car alarm remote starter or keyless entry installation into your 1996-1997 Gmc YukonThis information outlines the wires location color and polarity to help you identify the proper connection spots in the vehicle.