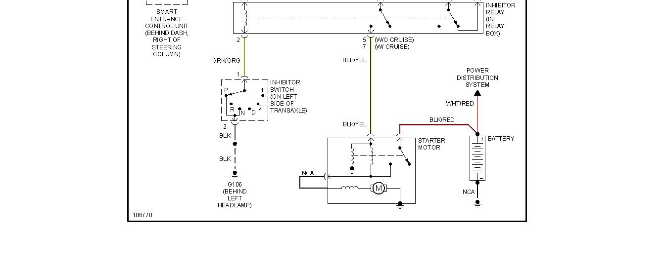
1996 Nissan Sentra Starter Relay. Fortunately you can isolate and troubleshoot each component to quickly determine which component is causing your Nissan not to start properly. 1996 Nissan Sentra starter relay.

Nissan Sentra 1996 Starter Relay by Original Engine Management. NISSAN 1996 SENTRA 16L L4 Electrical Starter Solenoid. Using a 2008 Nissan Sentra I point out to you the location of several relays and their function.
Today were going over the steps on how to locate remove and test the starter relay.
I show you the location of several cooling fan relays the. I had the battery checked and the cables seem fine. No parts for vehicles in selected markets. The starter system in a Nissan consists of the battery ignition relay switch starter motor and starter solenoid.