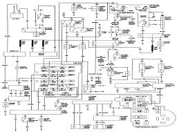
1993 Chevy Silverado Truck Radio Wiring Diagram. Silverado 99-02 Suburban 92-02 Tahoe 95-02 Van Full size 88-95. But it doesnt mean link between the wires.

98 chevy k1500 headlight wiring diagram gm full size trucks 1988 1998 suburban i need a harness for silverado coil chevrolet brake switch 95 daymaker heater 96 starter hvac control head swap max c style z71 sensor peugeot 1980 1987 2000 1990 pickup diagrams stereo 1500 ac relay printing from undefined s10 ignition er motor. But it doesnt mean link between the wires. Here is a picture gallery about 1993 chevy silverado wiring diagram complete with the description of the image please find the image you need.
Radio wiring color codes radio wire color codes radio wiring diagram radio wire diagram radio wiring harness radio wire harness stereo wiring color codes stereo wire color codes stereo wiring diagram stereo wire diagram.
Chevrolet Car Audio - Wire Diagrams - Wire Color Codes. Label it or splice to constant wire on aftermarket stereo first. If fuses are good the hot or ground wire has an open broken wire. Chevrolet Vehicles Diagrams Schematics and Service Manuals - download for free.