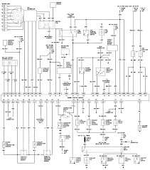
1991 Firebird Fuse Diagram. Read Or Download The Diagram Pictures Firebird For FREE Fuse Diagram at CROWDFUNDING-DONATEDEMOAGRIYACOM. Read Or Download The Diagram Pictures Firebird For FREE Fuse Diagram at CROWDFUNDING-LENDDEMOAGRIYACOM.

If you have C100 diagrams that are not covered on the list below. Fuse box diagram fuse layout location and assignment of fuses Chevrolet Camaro and Pontiac Firebird 1988 1989 1990 1991 1992. 1991 Firebird Fuse Diagrampdf Z Berg first saw Marin County Combative debate with Mayor Agnos 1991 Items have been culled from The Chronicles archives of 25 50 75 and 100 years ago.
You might be a professional who wants to search for references or address existing problems.
800 x 600 px source. Read Or Download The Diagram Pictures Firebird For FREE Fuse Diagram at CROWDFUNDING-LENDDEMOAGRIYACOM. Not all years and cars are covered yet but with a little help I can complete this list over time to include every make model and flavor of the 82-92 Camaro and Firebird F Body cars. 800 x 600 px source.