1991 Chevy Truck Wiring Harnes. 1 trick that I actually use is to printing a similar wiring picture off. If not the structure wont function as it ought to be.

Our products are assembled in Bellmawr New Jersey just outside Philadelphia the birthplace of Independence. 23 Circuit Truck Key In Dash Bulkhead Firewall Pass-Through Warranty. When you make use of your finger or stick to the circuit along with your eyes it is easy to mistrace the circuit.
1991 Chevy C3500 Wiring Harness and Components in-stock with same-day shipping.
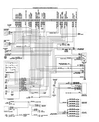
91 Chevy Silverado Wiring Harness Diagram Wave Query B Trattoriadeicacciatorilecco It Gm Full Size Trucks 1988 1998 Wiring Diagrams Repair Guide Autozone. 1991 Chevy Truck Wiring Diagram 1991 chevy s10 truck wiring diagram 1991 chevy silverado engine wiring diagram 1991 chevy silverado radio wiring diagram Every electrical arrangement consists of various different parts. Classic Industries offers 1991 Chevrolet Truck Front Lamp Harnesses 1991 Chevrolet Truck Engine Wiring Harnesses 1991 Chevrolet Truck Underdash Wiring Harnesses 1991 Chevrolet Truck Rear Body Lamp Harnesses 1991 Chevrolet Truck Universal Gauge Harnesses 1991. California - 1991 - Chevy - Silverado 1500 - Engine Wiring Harness North Carolina - 1996 - Chevy - Silverado 3500 - Engine Wiring Harness Massachusetts - 2005 - Chevy - Silverado 2500 - Engine Wiring Harness.