1990 Mazda B2200 Fuel Filter Location. Is there another filter near the carb or anything else. 1999 altima fuel filter location wiring diagram for 2001 windstar karma schema moteur scenic 1 2007.

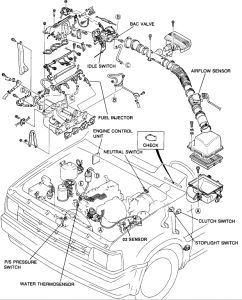
Notice that it is secured with a set of clamps. 1999 altima fuel filter location wiring diagram for 2001 windstar karma schema moteur scenic 1 2007. The fuel pump in a Mazda B2200 delivers fuel to the engine from the gas tank.
Get the best deal for a 1990 Mazda B2200 Fuel Filter.
Inspect the area where the fuel filter and the fuel line connect. 1990 Mazda B2200 Manual document is now user-friendly for release and you can access admission and keep it in your desktop. Get the job done with the right Mazda Parts for 1990 Mazda B2200 at the lowest prices. The fuel filter is an oblong cylinder about 3 inches in diameter attached to a black hose the fuel line.