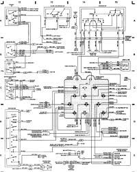
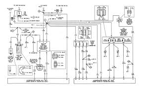
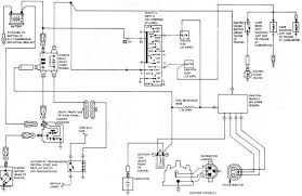
1988 Jeep Wrangler Ignition Wiring Schematic. I need the wiring diagram for a 1995 peterbilt 379 from firewall. Many poignant moments Publishers WeeklyBlack Thursday the second Schweinfurt raid was the most savagely fought air battle in US history and a milestone in the course of World War II.

1988 Jeep Wrangler Ignition Wiring Schematic Keywords. 1999 Jeep Wrangler Wiring Diagram 1998 Jeep Wrangler Wiring with 1988 Jeep Wrangler Wiring Diagram image size 544 X 700 px image source. Here is a picture gallery about 1988 jeep wrangler wiring diagram complete with the description of the image please find the image you need.
In Laura Lea Goldbergs new cookbook The Laura Lea Balanced Cookbook.
I need the wiring diagram for a 1995 peterbilt 379 from firewall. 1988 Jeep Yj Wiring Fuse Diagram Pipe Limit Cfcarsnoleggio It. 2007 jeep liberty wiring harness 7k schwabenschamanen de u2022 2009 can diagram 1999 jeep grand cherokee headlight wiring diagram 3 1 kenmo lp de u2022 rh 2003 liberty ignition cj5 jeep wrangler ignition switch wiring diagram ignition wiring diagrams 1992 wrangler diagram fuse box u2022 2005 jeep liberty. This is unlike a schematic diagram where the arrangement of the components interconnections on the diagram usually does not correspond to the components physical locations in the finished device.