1988 Ford Bronco Wiring Plug. The 1988 Ford Bronco I have has a stereo wire harness that has all your above mentioned color codes with one exception. For Football Syle Amplifier.

NOS OEM Ford Truck Ranger Explorer Door Wiring Harness Boots 1988 1989 1990 F150. Find ford bronco wiring harness from a vast selection of Parts Accessories. Fast shipping with low price guarantee.
On right hand side its 456 front to back.
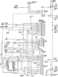
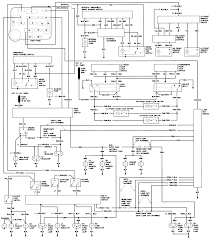
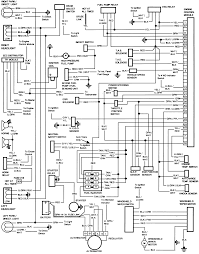
The Left Rear Negative is. Wiring Manuals Diagrams 72-79-Bronco-Wiring-Manualspdf This complete manual for the 1972-1979 Ford Bronco Includes. Ford Bronco C 13581. Read Or Download The Diagram Pictures Ford Bronco For FREE Wiring Plug at CROWDFUNDING-LENDDEMOAGRIYACOM.