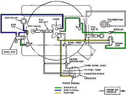
1987 Jeep Wrangler 42 Vacuum Line Diagram. 2021 Jan 28 0335 Rating. Need vaccum line diagram for 1989 jeep wrangler 42l v6 need a motor diagram for vaccum lines jeep 1989 wrangler question.
 
        We carry the largest selection of Jeep 40L 242ci inline 6 cylinder engine replacement parts around. View and Download Jeep 1987 Wrangler workshop manual online. I have the Haynes repair manual 1987-2003 Jeep Wrangler with all of the schematics.
89 YJ 42 with MC-2150 Carb HEI 2-12 Magnaflow Ex.
This vehicle has a very strange electronic carburetor that has a stepper motor to met. 6 I would also get a vacuum gauge and ensure the jeep is running the correct vacuum pressure. According to files we got from google adwords Jeep Wrangler 4 2 Vacuum Diagram has a lot of search online search engine. Or can maybe answer questions you may have keeping in mind I am NOT a mechanic but I can read plansschematics.