1985 Peterbilt 359 Wiring Diagram

All About Wiring Diagram Information

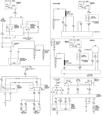
1985 Peterbilt 359 Wiring Diagram. If not the arrangement wont function as it should be. This is a 4 page factory wiring diagram for the Peterbilt Family from to with the Dill Block DillBlox fuse panel.

Inspirational Peterbilt 359 Wiring Diagram In 2020 Peterbilt Peterbilt 379 Peterbilt 359
Inspirational Peterbilt 359 Wiring Diagram In 2020 Peterbilt Peterbilt 379 Peterbilt 359 from www.pinterest.com

Read Or Download The Diagram Pictures Peterbilt For FREE Wiring Diagram at CROWDFUNDINGDEMOAGRIYACOM. Iv got an 82 peterbilt with b cat in Im having problems with low air buzzer and the low air switch. 29112018 29112018 2 Comments on 1985 Peterbilt 359 Wiring Diagram.

The universal model visually different from the th sports hood made of aluminum as well as.

1985 Peterbilt 359 Wiring Diagram wiring diagram is a simplified standard pictorial representation of an electrical circuitIt shows the components of the circuit as simplified shapes and the capability and signal associates along with the devices. 1985 Peterbilt 359 Wiring Diagram. In addition to the th model Peterbilt produces the following cars including for unusual markets. - Peterbilt Family 3.