1967 F100 Wiring Diagram

All About Wiring Diagram Information

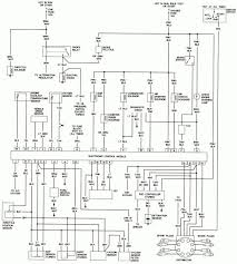
1967 F100 Wiring Diagram. 1964 F100 thru F750 Series Trucks Master Wiring Locator. 1964 F100 thru F750 Series Trucks Instrument Panel Wiring.

Pin On 1972 Ford F250
Pin On 1972 Ford F250 from www.pinterest.com

1965 B- F- and T-series Truck Interior Lighting Windshield Wiper and Gauges. - youtube just another boring wiring video. Dash Panel Wiring and Related Parts - Typical 1968-1972 F350 - Body Type 84.

Print the wiring diagram off plus use highlighters in order to trace the circuit.

1964 B- F- and T-series Trucks. Wiring Schematics Diagrams. 1967 FORD TRUCK WIRING DIAGRAM MANUAL. My 1962 F100 Wrongbed 1965 Ford Truck Wiring Diagrams.