12 Volt Rocker Wiring Diagram Free Picture

All About Wiring Diagram Information

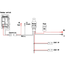
12 Volt Rocker Wiring Diagram Free Picture. 12 Volt Rocker Wiring Diagram Picture FREE EBOOKS 12 Volt Rocker Wiring Diagram Picture Read E-Book Online 12 Volt Rocker Wiring Diagram Picture This is the best place to retrieve 12 Volt Rocker Wiring Diagram Picture PDF File Size 1818 MB past promote or repair your product and we wish it can be final perfectly. Strip the wires back 38 inch.

Pin By Anthony Pearson On Diy Motorcycle Wiring Trailer Light Wiring 12v Led Lights
Pin By Anthony Pearson On Diy Motorcycle Wiring Trailer Light Wiring 12v Led Lights from www.pinterest.com

12V Rocker Switch Wiring Diagram Free Picture Wiring Diagram 5 Pin Rocker Switch Wiring Diagram Uploaded by Anna R. Not merely is it possible to locate different diagrams however you also can get step-by-step. 4 Pin Rocker Switch Wiring Diagram.

Related 12 Volt Rocker Wiring Diagram Free Picture.

Briggs stratton quantum xls 55 partner. 12 Volt Rocker Wiring Diagram Free Picture Wiring Diagram 12 Volt 3 Way Switch Wiring Diagram. Also you may want to check the horn relay thats also located in the same box and i circled that also. 12 Volt Rocker Wiring Diagram Free Picturepdf Horoscope for Wednesday 12 3020 by Christopher Renstrom Remember that youre always free to change the channel.