07 Bmw 328i Wiring Diagram. Fuse box diagram for 2007 bmw 328i I am looking to Include an image. We have actually collected numerous photos with any luck this photo serves for you as well as aid you in locating the answer you are trying to find.

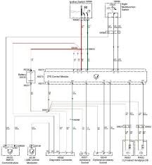
If you need most of the wds wiring diagrams this is the place to look. ISO 9141-2 used in BMW 3-Serie 5-Serie X5 Z3 Z4 Z8 740i 740iL 750iL. Fuse and relay box diagram BMW 3 E90.
Generation E60 BMW 745i 745Li 765Li.
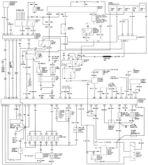
Thomas in category on Nov 01 07 Bmw i Engine Wiring Diagram - Welcome to our website we try to bring you relevant images to what you are looking for about E92 Bmw Engine Parts DiagramTherefore we present the picture gallery below. The exact fuse chart in your BMW 3-Series may be different. BMW Car Radio Stereo Audio Wiring Diagram Autoradio connector wire installation schematic schema esquema de conexiones stecker konektor connecteur cable shema car stereo harness wire speaker pinout connectors power how to install. Thomas in category on Nov 01 07 Bmw i Engine Wiring Diagram - Welcome to our website we try to bring you relevant images to what you are looking for about E92 Bmw Engine Parts DiagramTherefore we present the picture gallery below.